蝶板的回转中心(即阀杆的中心) 位于阀体的中心线和蝶板的密封面截面上, 阀座采用合成橡胶或塑性材料。关闭时蝶板的外圆密封面挤压合成橡胶阀座, 使阀座产生弹性变形而形成弹性力作为密封比压, 保证蝶阀的密封。
2025-02-21 九州官方网页版_九州(中国)
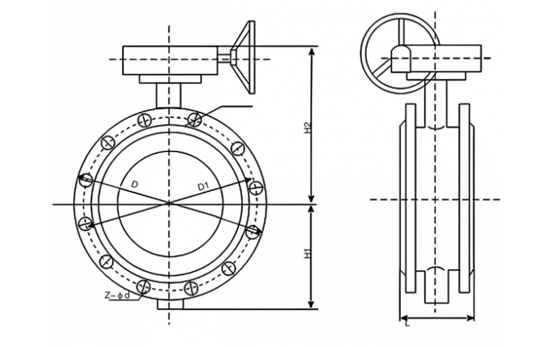
蝶阀是根据旋转阀杆同时带动蝶板转动来做启闭的一种阀门,其关闭部件(阀瓣或蝶板)为圆盘状,通过围绕阀轴旋转来实现开启和关闭,主要在管道上用于切断和调节流量。蝶阀的启闭部件为一圆盘形的蝶板,在阀体内沿其自身轴线旋转,以实现开启或关闭的目的。全开至全关的角度通常小于90°。由于蝶阀和蝶杆本身缺乏自锁能力,需要在阀杆上安装蜗轮减速器以实现蝶板的精确定位。这样不仅可以赋予蝶板自锁功能,还可以使其在任意位置停留,同时改善阀门的操作性能。
2024-06-28 九州官方网页版_九州(中国)