九州官方网页版_九州(中国)

行业知识

西门子PLC SFC顺序控制设计启保停编程介绍

2024-09-02 08:46:07 九州官方网页版_九州(中国)

西门子PLC SFC顺序控制设计启保停编程介绍

  背景介绍:在工业控制中存在着大量的顺序控制, 如机床的自动加工、 自动生产线的自动运行、 机械手的动作等, 它们都是按照固定的顺序进行动作的。在顺序控制系统中, 对于复杂顺序控制程序仅靠基本指令系统编程会感到很不方便, 其梯形图复杂且不直观。针对此种情况, 可以使用顺序控制设计法进行相关程序编写。

所谓顺序控制, 就是按照生产工艺预先规定的顺序, 在各个输入信号的作用下, 根据内部状态和时间的顺序, 在生产过程中各个执行机构自动地有秩序地进行操作。使用顺序控制设计法首先根据系统的工艺过程, 画出顺序功能图, 然后根据顺序功能图编写程序。有的PLC 编程软件为用户提供了顺序功能 (Sequential Function Chart, 简称 SFC) 语言, 在编程软件中生成顺序功能图后便完成了编程工作。例如西门子S7-300/400 系列 PLC 为用户提供了顺序功能图语言, 用于编制复杂的顺序控制程序。利用这种编程方法能够较容易地编写出复杂的顺序控制程序, 从而提高工作效率。

顺序控制设计法:顺序控制设计法是一种先进的设计方法, 很容易被初学者接受, 对于有经验的工程师,也会提高设计的效率, 程序的调试、 修改和阅读也很方便。其设计思想是将系统的一个工作周期划分为若干个顺序相连的阶段, 这些阶段称为 “步” (step) , 并明确每一 “步” 所要执行的输出, “步” 与 “步” 之间通过指定的条件进行转换, 在程序中只需要通过正确连接进行 “步” 与 “步” 之间的转换, 便可以完成系统的全部工作。

顺序控制程序与其它 PLC 程序在执行过程中的最大区别是: SFC 程序在执行程序过程中始终只有处于工作状态的 “步” (称为 “有效状态” 或 “活动步” ) 才能进行逻辑处理与状态输出, 而其它状态的步 (称为 “无效状态” 或 “非活动步” ) 的全部逻辑指令与输出状态均无效。因此, 使用顺序控制进行程序设计时, 设计者只需要分别考虑每一 “步” 所需要确定的输出, 以及 “步” 与 “步” 之间的转换条件, 并通过简单的逻辑运算指令就可完成程序的设计。

顺序控制设计法有多种, 用户可以使用不同的方式编写顺序控制程序。但是, 如果使用的 PLC 类型及型号不同, 编写顺序控制程序的方式也不完全一样。比如日本三菱公司的FX2N 系列 PLC 可以使用启保停、 步进指令、 移位寄存器和置位/复位指令这4 种编写方式;西门子S7-200、 S7-200 SMART 系列 PLC 可以使用启保停、 置位/复位指令和 SFC 顺控指令这3 种编写方式; 西门子S7-300/400 系列 PLC 可以使用启保停、 置位/复位指令和使用S7 Graph 这3 种编写方式; 欧姆龙 CP1H 系列 PLC 可以使用启保停、 置位/复位指令和顺控指令 (步启动/步开始) 这3 种编写方式

顺序功能图介绍:顺序功能图又称为流程图, 它是描述控制系统的控制过程、 功能和特性的一种图形, 也是设计 PLC 的顺序控制程序的有力工具。各个 PLC 厂家都开发了相应的顺序功能图, 各个国家也都制定了顺序功能图的国家标准, 我国于1986 年颁布了顺序功能图的国家标准 (GB6988.6 —86) 。顺序功能图主要由步、有向连线、 转换、 转换条件和动作 (或命令) 组成, 如图所示。

图片关键词

(1) 步在顺序控制中 “步” 又称为状态, 它是指控制对象的某一特定的工作情况。 为了区分不同的状态, 同时使得 PLC 能够控制这些状态, 需要对每一状态赋予一定的标记, 这一标记称为 “状态元件”。在 S7-200 SMART PLC 中, 使用启保停、 置位/复位指令时状态元件通常用内部标志寄存器 M 来表示 (如 M0.0) ; 使用顺控指令时, 状态元件用顺序控制继电器S0.0~S31.7 来表示。步主要分为初始步、 活动步和非活动步。初始状态一般是系统等待启动命令的相对静止的状态。系统在开始进行自动控制之前, 首先应进入规定的初始状态。与系统的初始状态相对应的步称为初始步, 初始步用双线框表示, 每一个顺序控制功能图至少应该有1 个初始步。当系统处于某一步所在的阶段时, 该步处于活动状态, 称为 “活动步”。步处于活动状态时, 相应的动作被执行。处于不活动状态的步称为非活动步, 其相应的非存储型动作被停止执行。

(2) 动作可以将一个控制系统划分为施控系统和被控系统, 对于被控系统, 动作是某一步所要完成的操作; 对于施控系统, 在某一步中要向被控系统发出某些 “命令”, 这些命令也可称为动作。

(3) 有向连接有向连线就是状态间的连接线, 它决定了状态的转换方向与转换途径。在顺序控制功能图程序中的状态一般需要2 条以上的有向连线进行连接, 其中一条为输入线, 表示转换到本状态的上一级 “源状态”, 另一条为输出线, 表示本状态执行转换时的下一级 “目标状态”。在顺序功能图程序设计中, 对于自上而下的正常转换方向, 其连接线一般不需标记箭头, 但是对于自下而上的转换或是向其它方向的转换, 必须以箭头标明转换方向。

(4) 转换步的活动状态的进展是由转换的实现来完成的, 并与控制过程的发展相对应。转换用有向连线上与有向连线垂直的短划线来表示, 转换将相邻两步分隔开。

(5) 转换条件所谓转换条件是指用于改变 PLC 状态的控制信号, 它可以是外部的输入信号, 如按钮、主令开关、 限位开关的接通/断开等; 也可以是 PLC 内部产生的信号, 如定时器、 计数器常开触点的接通等, 转换条件还可能是若干个信号的与、 或、 非逻辑组合。不同状态间的换转条件可以不同也可以相同, 当转换条件各不相同时, 顺序控制功能图程序每次只能选择其中的一种工作状态 (称为选择分支) 。当若干个状态的转换条件完全相同时, 顺序控制功能图程序一次可以选择多个状态同时工作 (称为并行分支) 。只有满足条件的状态, 才能进行逻辑处理与输出, 因此, 转换条件是顺序功能图程序选择工作状态的开关。

顺序功能图的基本结构与梯形图的转换:在顺序控制功能图程序中, 由于控制要求或设计思路的不同, 使得步与步之间的连接形式也不同, 从而形成了顺序控制功能图程序的3 种不同基本结构形式:

①单序列;

②选择序列;

③并行序列。

这3 种序列结构如图下图所示。

图片关键词

启保停方式下的三种序列结构与梯形图的转换关系:

(1)单序列启保停方式的顺序功能图与梯形图的对应关系如下图:

图片关键词

图 中, Mi -1 、 Mi 、 Mi +1 是顺序功能图中的连续3 步, Ii 和Ii +1 为转换条件。对于 Mi 步来说,它的前级步为 Mi -1 , 转换条件为Ii , 所以 Mi 的启动条件为辅助继电器的常开触点 Mi -1与转换条件常开触点Ii 的串联组合。Mi 的后续步为 Mi +1 , 因此 Mi 的停止条件为 Mi +1常闭触点。

(1) 选择序列启保停方式的顺序功能图与梯形图的转换

选择序列启保停方式的顺序功能图转换为梯形图的关键点在于分支处和合并处程序的处理, 其余与单序列的处理方法一致。

① 分支处编程 若某步后有一个由 N 条分支组成的选择程序, 该步可能转换到不同的N 步去, 则应将这 N 个后续步对应的辅助继电器的常闭触点与该步线圈串联, 作为该步的停止条件。启保停方式的分支序列分支处顺序功能图与梯形图的转换, 如图下图 所示。 图中, Mi 后有1 个选择程序分支, Mi 的后续步分别为 Mi +1 、 Mi +2 、 Mi + 3 , 当这3 步有一个步为活动步时, Mi 都变为不活动步, 所以将 Mi +1 、 Mi +2 、 Mi + 3 的常闭触点与 Mi 线圈串联, 作为活动步的停止条件。

图片关键词

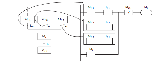
② 合并处编程 对于选择程序的合并, 若某步之前有 N 个转换, 即有 N 条分支进入该步, 则控制代表该步的辅助继电器的启动电路由 N 条支路并联而成, 每条支路都由前级步辅助继电器的常开触点与转换条件的触点构成的串联电路组成。启保停方式的选择序列合并处顺序功能与梯形图的转换, 如图下所示。 图中, Mi 前有一个程序选择分支, Mi 的前级步分别为 Mi -1 、 Mi -2 、 Mi -3 , 当这 3 步有一步为活动步, 且转换条件Ii -1 、 Ii -2Ii -3 为1 , Mi 变为活动步, 所以将 Mi -1 、 Mi -2 、 Mi -3 的常开触点分别与转换条件Ii -1 、Ii -2 、 Ii -3 常开触点串联, 作为该步的启动条件。

图片关键词

以上是顺序控制编法启保停方式介绍,顺序编程法对初学PLC编程的人员提供了较好的编程思路,可以大大提高初学者的编程能力。

九州官方网页版_九州(中国)
产品
新闻
联系